Veka Softline 76 representa la evolución de los sistemas de ventanas clásicos, ofreciendo propiedades termofísicas mejoradas sin un aumento significativo del coste. Es un sistema con una profundidad de montaje de 76 mm que ocupa el nicho del «justo medio» entre los perfiles básicos de 70 mm y los sistemas premium de 82 mm. Con un grosor de pared exterior de 3 mm (clase «A» según DIN EN 12608), el perfil garantiza una estabilidad dimensional excepcional y durabilidad de las soldaduras.
El mayor ancho de montaje permite instalar acristalamientos más anchos y cálidos de hasta 48 mm de grosor, lo que mejora significativamente el aislamiento acústico y el ahorro de energía del hogar. La parte visible estrecha del perfil (travesaños) proporciona máxima entrada de luz natural, haciendo que el espacio parezca visualmente más amplio. Es la elección ideal para el acristalamiento de chalets y apartamentos modernos con altos requisitos de ahorro energético.
Especificaciones Técnicas
Detalles
Estándar moderno de eficiencia energética. 76 mm, clase «A» y equilibrio perfecto entre aislamiento térmico y transmisión de luz.
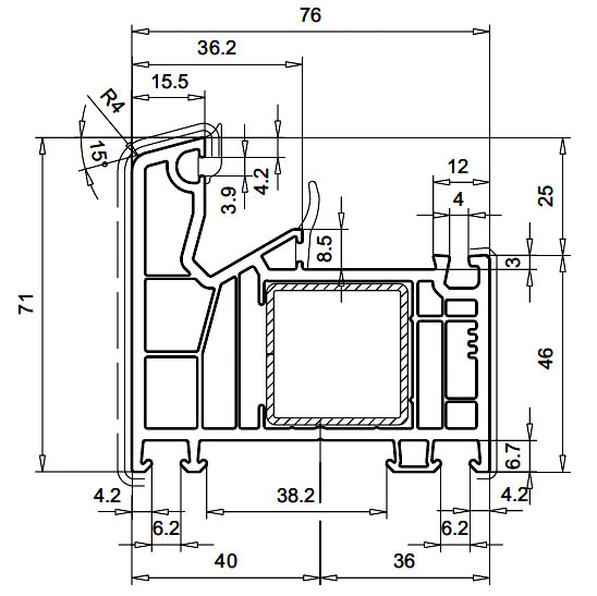
Parámetros constructivos del sistema:
- Profundidad de montaje: 76 mm (ancho aumentado para mejor aislamiento térmico).
- Clase de perfil: Clase «A» (DIN EN 12608) — paredes exteriores de 3 mm.
- Construcción del perfil: 5 cámaras de geometría optimizada.
- Refuerzo: Refuerzo de acero galvanizado. En el marco — perfil cuadrado cerrado que proporciona alta inercia de sección.
- Sellado: Sistema de sellado de dos circuitos (AD) o tres circuitos (MD) según el artículo. Juntas reemplazables de material de alta calidad.
Opciones de acristalamiento y relleno:
- Grosor máximo de relleno: hasta 48 mm.
- Profundidad de alojamiento del vidrio: 25 mm (¡Ventaja clave! El estándar del mercado es 18-20 mm). Esto proporciona un «borde cálido» del acristalamiento.
- Fijación del acristalamiento: Junquillos de varias formas (redondeados, decorativos) para adaptarse al diseño interior.
Geometría y dimensiones (Ventana):
- Altura del conjunto de perfiles: 112 mm — travesaños estrechos para diseño moderno.
- Diseño: Líneas suaves Softline que armonizan con cualquier fachada. Posibilidad de usar embellecedores de aluminio.
- Dimensiones de hojas: Dimensiones permitidas aumentadas en comparación con la serie 70 gracias a la sección de perfil más rígida.
Características certificadas (según DIN EN 14351-1):
- Aislamiento térmico del perfil (Uf): 1,1 W/m²K (en versión con junta central).
- Resistencia térmica (R0): 0,85–0,95 m²°C/W.
- Aislamiento acústico (Rw): hasta 47 dB (posibilidad de instalar vidrios laminados acústicos gruesos).
- Resistencia antirrobo: Clases RC2 y RC3. La fijación de los cerraderos se realiza en el refuerzo metálico.
- Estanqueidad al agua: Clase 9A.
- Vida útil: Más de 50 años.
Elección óptima
Justo medio

Sistema MD
3 circuitos de sellado
Fiabilidad duradera
Potencia de Clase A

Veka Softline 76
Estándar moderno de eficiencia energética. 76 mm, clase «A» y equilibrio perfecto entre aislamiento térmico y transmisión de luz.
Más Ideas e Inspiración
Estos son algunos ejemplos de nuestro trabajo con el perfil Veka Softline 76. Toda esta inspiración es para usted y solo para usted.
Estamos trabajando en mantener los datos actualizados. Contáctenos si necesita materiales actualizados.
Opciones de Financiación
Disfrute de su compra ahora y páguelo a plazos utilizando nuestros servicios de financiación.
Más detallesNo Olvide Añadir
Elementos adicionales y accesorios que harán su hogar aún más confortable
Mosquiteras
Manillas con Cerradura
Laminación
Elementos Decorativos
Compare con Perfiles Similares
Soluciones alternativas de otros fabricantes
Veka Softline 70
Veka Softline 82
Veka AluConnect
Rehau Euro-design 70
Rehau Synego
Rehau Brillant-Design 70
Dejar una reseña
Reseñas de clientes
Descubra lo que la gente dice al respecto
Aún no hay reseñas. ¡Sea el primero!
FAQs
Preguntas Frecuentes sobre Veka Softline 76
¿Cuál es el sentido de la profundidad de alojamiento del vidrio de 25 mm?
La profundidad habitual de alojamiento del acristalamiento es de 18-20 mm. El aumento a 25 mm permite ocultar completamente el marco espaciador detrás del plástico del perfil. Esto elimina el «puente térmico» en los bordes y reduce drásticamente el riesgo de condensación durante las heladas.
¿Cuánto más cálido es el sistema 76 en comparación con el 70?
Gracias a los 6 mm adicionales de ancho y la posibilidad de instalar acristalamiento de 48 mm, la resistencia térmica total de la ventana terminada aumenta aproximadamente un 10-15%, lo cual se nota en la calefacción de una vivienda unifamiliar.
¿Se puede usar el acabado Veka Spectral?
Sí, Softline 76 es la plataforma principal para el exclusivo acabado aterciopelado Spectral. El perfil se lamina sobre una base de color (gris, grafito, umber), para que al abrir la ventana no se vean huecos blancos.
¿Qué peso máximo de hoja soportará el perfil?
Con el uso de bisagras reforzadas y vidrio encolado, la hoja puede pesar hasta 100-120 kg, lo que permite crear elementos panorámicos practicables de hasta 2,4 metros de altura.
¿Se necesita refuerzo especial para 76 mm?
Sí, para este sistema se han desarrollado sus propios artículos de refuerzo que replican exactamente la geometría de las cámaras. Las holguras entre el plástico y el metal son mínimas, lo que proporciona máxima rigidez a la estructura.
¿Es compatible el sistema con herrajes antirrobo?
Absolutamente. Además, gracias a las paredes gruesas de clase «A», los tornillos de los herrajes se sujetan más firmemente, dificultando el forzado de las hojas con palanca.
















